
可調電位器是我們目前使用得比較多的元器件之一,一般常規使用的型號有:3362P、3362M、3362S、3362U、3296X、3296P、3296Y、3296Z、3296W、3329H、3590S、WH140-1、WH140-2、3362W、3006P、3323S、3323P、3266W、3266X、3266P、3361P、WH121-1、RM100-V1、3269X、3386P、3386F、3386X、3386W、3386H、F-101N、RM100-H1、WH160-1、RM060-H1、WH148-2、RM060-V1、3361S、93PR、F-101G、F-3045G等可調電位器。面對這么多規格型號的產品,我們在選購之前先要自己了解清楚所需要的產品是哪一款,比如說我們想要購買3296電位器,那么我們可以了解一下3296電位器封裝尺寸的知識。如果自己并不是很了解產品,那么可以通過咨詢專業人士指導購買的方式進行挑選,避免因為自身的經驗不足而導致出現購置不當的情況出現。那么限免我來給大家講解幾款常見的可調電位器吧!
(1)可調電位器_3296P
可調電位器_3296P_產品簡介:
可調電位器_3296P主要包括技術參數、環境特征以及物理特征等內容,常用于大多電子、通信等多種設備。
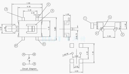
可調電位器_3296P_參考圖紙:
可調電位器_3296P_技術參數:
阻值范圍(Ohms) :10~2M
絕緣電阻: R1≥1GΩ
耐電壓:101.3Kpa 600V,8.5Kpa 250V
有效電行程 : 25± 2turns
阻值偏差: ±10%
阻值變化特征: B
終端電阻: ≤1%R or 2Ω
接觸電阻變化: ≤3%R or 3Ω
可調電位器_3296P_環境特征:
額定功率(工作電壓300V):+70℃ 0.25W,+125℃ ow
氣候順序: △R≤±3%R,R1≥100MΩ
70℃電氣耐久性:0.5W,1000h △R≤±3%R
機械耐久性:50cycles,△R≤±3%R
穩態濕熱:△R≤±3%R,R1≥100MΩ
工作溫度范圍: -55℃ ~+125℃
溫度系數: ±200ppm/℃
溫度變化:△R≤±2%R,△(Uab/Uac)R≤±2%
碰撞:390m/s2,4000次 , △R≤±2%R
振動:10~500Hz,0.75mm or98m/s,6h△R≤±1%R,△(Uab/Uac)≤±2%
可調電位器_3296P_物理特征:
總機械性能: 28± 2turns
起動力矩: ≤36mN?m
止檔力矩: ≥36 mN?m
標準包裝:50pcs/管
(2) 可調電位器_3362P
可調電位器_3362P_產品簡介:
可調電位器_3362P廣泛使用于儀器儀表、通信、家用電器、安防、醫療設備、計算機等領域。
可調電位器_3362P_參考圖紙:
可調電位器_3362P_環境特征:
額定功率(工作電壓300V):+70℃ 0.5W,+125℃ ow
氣候順序:△R≤±3%R,R1≥100MΩ
70℃電氣耐久性:0.5W,1000h △R≤±3%R
機械耐久性:50周,△R≤±3%R
穩態濕熱:△R≤±3%R,R1≥100MΩ
工作溫度范圍:-55℃ ~+125℃
溫度系數:±200ppm/℃
溫度變化:△R≤±2%R,△(Uab/Uac)R≤±2%
碰撞:390m/s2,4000次 , △R≤±2%R
振動:10~2000Hz,0.75mm ,6h△R≤±1%R,△(Uab/Uac)≤±2%
可調電位器_3362P_物理特征:
總機械行程:250°±10°
起動力矩:≤20mN?m
止檔力矩:≥50 mN?m
標準包裝 :50pcs/管
(3) 可調電位器_3362W
可調電位器_3362W_產品簡介:
可調電位器_3362W技術參數包括電位器性能、環境特性和物理特性,可調電位器_3362W屬于3362電位器系列的一種電位器。
可調電位器_3362W_參考圖紙:
可調電位器_3362W_技術參數:
可調電位器_3362W_性能:
阻值范圍(Ohms) : 10~1M
接觸電阻變化: ≤3%R or 3Ω
絕緣電阻: R1≥1GΩ
耐電壓:101.3Kpa 500V,8.5Kpa 350V
有效電行程 : 210°±10°
阻值偏差: ±10%
阻值變化特征: B
終端電阻: ≤1%R or 2Ω
可調電位器_3362W_環境特征:
額定功率(工作電壓300V):+70℃ 0.5W,+125℃ ow
氣候順序: △R≤±3%R,R1≥100MΩ
70℃電氣耐久性:0.5W,1000h △R≤±3%R
機械耐久性:50周,△R≤±3%R
穩態濕熱:△R≤±3%R,R1≥100MΩ
工作溫度范圍: -55℃ ~+125℃
溫度系數: ±200ppm/℃
溫度變化:△R≤±2%R,△(Uab/Uac)R≤±2%
碰撞:390m/s2,4000次 , △R≤±2%R
振動:10~2000Hz,0.75mm ,6h△R≤±1%R,△(Uab/Uac)≤±2%
可調電位器_3362W_物理特征:
總機械行程: 250°±10°
止檔力矩: ≥50 mN?m
標準包裝 :50pcs/管
起動力矩: ≤20mN?m
以上就是關于可調電位器_3296P、可調電位器_3362P以及可調電位器_3362W的產品內容介紹,一般來說,我們在選擇產品型號是會參考它的產品規格尺寸圖、性能、環境特征、物理特征等。不同的型號、不同規格、不同阻值的產品在用途和性能以及電路設計中的要求都會有所不一樣,所以我們在挑選的時候需要謹慎細心!當然,如果我們并不了解產品,可以通過產品的在線客服專員進行咨詢產品是否適用,這樣能有效的避免產品的購置不正確的情況出現。如果大家想要了解更多的產品詳情或者想要購買我們的產品,歡迎致電精密龍電子!

Copyright © 廣東精密龍電子科技有限公司 版權所有 粵ICP備17035144號 粵公網安備44130202001184號
全國服務電話:0755-83205533 傳真:0755-83761155
公司地址:深圳市龍崗區龍崗大道8288號深圳大運軟件小鎮45棟2樓

